A place for more technical discussions. Please make sure you post in the correct section on the site, this way it keeps the site tidy AND ensures you get a more relevant answer.
Rear fog light for UK registration
- FrankFisher99
- Topic Author
- Offline
- New Member
-

Registered
Less
More
- Posts: 17
- Thank you received: 6
06 Sep 2025 15:35 #261864
by FrankFisher99
Rear fog light for UK registration was created by FrankFisher99
Hi all, I have a 2010 jap import and to register it just needs a rear fog light - surprised not to see anything on the topic here? I want to keep it OEM so have picked up this secondhand switch; can anyone help me out with a wiring diagram? Im assuming the factory setup uses a relay, if so does anyone have a part number or pic?
Please Log in or Create an account to join the conversation.
11 Sep 2025 17:14 #261906
by Deepak43
Replied by Deepak43 on topic Rear fog light for UK registration
Hi,A rear fog light is a legal requirement for vehicles registered in the UK, as it ensures visibility and safety during adverse weather conditions like heavy fog, rain,
or snow. It helps other drivers spot your vehicle from a safe distance, reducing the risk of accidents. The rear fog light should emit a bright red light, distinct from the brake lights, and be positioned symmetrically at the rear of the vehicle. Proper functioning and compliance with MOT standards are essential for road safety.
sso id
Please Log in or Create an account to join the conversation.
11 Sep 2025 18:40 #261909
by facade
If it suddenly breaks, go back to the last thing that you did before it broke and start looking there
Replied by facade on topic Rear fog light for UK registration
I don't have a wiring diagram for a 2010 JDM Jimny, but if it is like the UK version then the headlights use a permanent live, with a switched earth.
When the dipped headlights are on, the red & white wire from the column switch is earthed.
So your relay coil goes from a suitable switched live at one end to the red & white wire.
The relay contacts should switch a fused live feed to the foglight, which is earthed at the rear.
You either need one foglight on the centre line or on the right, or a pair symmetrically placed. A JDM has 2 reverse lamps, you could modify the right one to be a rear fog, and fit a UK lens.
You then need a switch to interrupt one end of the relay coil, with a teltale lamp wired so that it illuminates when the relay coil is energised.
The original switch is bizarre and I can't figure it out immediately (the diode looks reversed to me...), just check the wiring diagram out!
When the dipped headlights are on, the red & white wire from the column switch is earthed.
So your relay coil goes from a suitable switched live at one end to the red & white wire.
The relay contacts should switch a fused live feed to the foglight, which is earthed at the rear.
You either need one foglight on the centre line or on the right, or a pair symmetrically placed. A JDM has 2 reverse lamps, you could modify the right one to be a rear fog, and fit a UK lens.
You then need a switch to interrupt one end of the relay coil, with a teltale lamp wired so that it illuminates when the relay coil is energised.
The original switch is bizarre and I can't figure it out immediately (the diode looks reversed to me...), just check the wiring diagram out!
If it suddenly breaks, go back to the last thing that you did before it broke and start looking there
Please Log in or Create an account to join the conversation.
11 Sep 2025 19:05 - 11 Sep 2025 19:11 #261911
by facade
If it suddenly breaks, go back to the last thing that you did before it broke and start looking there
Replied by facade on topic Rear fog light for UK registration
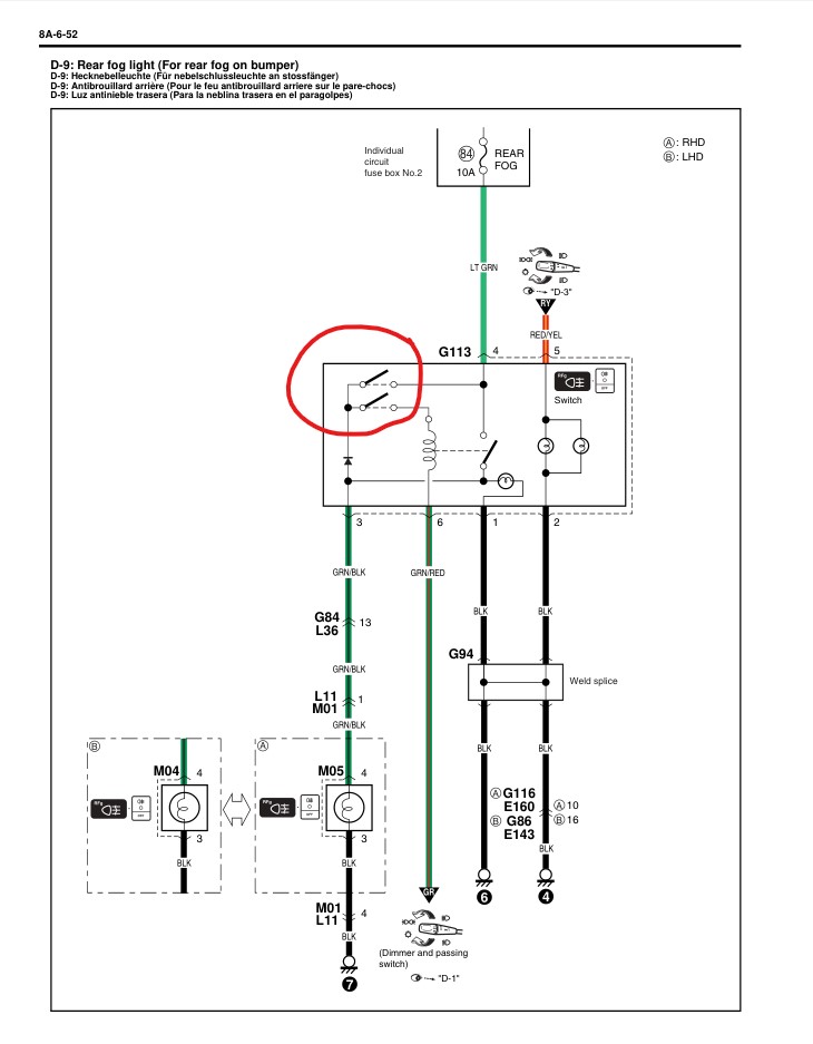
I dug out the very late Gen 3 digram, and that switch sort of makes a bit more sense as they've drawn an extra internal wire.
I reckon that the 2 contacts circled in red are the switch, (I don't know why there are 2) and the other is a built in relay contact. (So you don't need a separate relay)
Best that I can deduce from just the diagram is below
NOTE: THIS IS JUST MY INTERPRETATION OF THE DIAGRAM. (I DON'T HAVE A SWITCH TO TEST) USE AT YOUR OWN RISK. IF THE CAR EXPLODES, BURSTS INTO FLAMES, SUDDENLY TIPS UPSIDE DOWN, GOES BACKWARDS IN FORWARD GEARS OR ANYTHING ELSE ODD HAPPENS I ACCEPT NO RESPONSIBILITY.
So
The light green (4) goes to your fused live
The black (1) & (2) go to earth
Red/yellow (5) goes to the sidelights and illuminates the switch.
Green/Black (3) is the live feed to the foglight
Green/red (6) is the switched earth from the headlights- connect to the red/white from the column if there isn't a green/red.
Probably best to wire up pins 1,2,3,4 &5 and check that the switch illuminates with the sidelights, then try grounding pin 6 and the foglight should switch on & off with the switch, then try connecting pin 6 to the red/white (or green/red)- try lashing this up on your workbench to test it out before you start messing with the car wiring.
I reckon that the 2 contacts circled in red are the switch, (I don't know why there are 2) and the other is a built in relay contact. (So you don't need a separate relay)
Best that I can deduce from just the diagram is below
NOTE: THIS IS JUST MY INTERPRETATION OF THE DIAGRAM. (I DON'T HAVE A SWITCH TO TEST) USE AT YOUR OWN RISK. IF THE CAR EXPLODES, BURSTS INTO FLAMES, SUDDENLY TIPS UPSIDE DOWN, GOES BACKWARDS IN FORWARD GEARS OR ANYTHING ELSE ODD HAPPENS I ACCEPT NO RESPONSIBILITY.
So
The light green (4) goes to your fused live
The black (1) & (2) go to earth
Red/yellow (5) goes to the sidelights and illuminates the switch.
Green/Black (3) is the live feed to the foglight
Green/red (6) is the switched earth from the headlights- connect to the red/white from the column if there isn't a green/red.
Probably best to wire up pins 1,2,3,4 &5 and check that the switch illuminates with the sidelights, then try grounding pin 6 and the foglight should switch on & off with the switch, then try connecting pin 6 to the red/white (or green/red)- try lashing this up on your workbench to test it out before you start messing with the car wiring.
If it suddenly breaks, go back to the last thing that you did before it broke and start looking there
Last edit: 11 Sep 2025 19:11 by facade.
The following user(s) said Thank You: FrankFisher99
Please Log in or Create an account to join the conversation.
- FrankFisher99
- Topic Author
- Offline
- New Member
-

Registered
Less
More
- Posts: 17
- Thank you received: 6
16 Sep 2025 09:19 #261964
by FrankFisher99
Replied by FrankFisher99 on topic Rear fog light for UK registration
Thanks, yes that is the correct wiring diagram, I had also managed to dig it up elsewhere. My biggest problem was figuring out the pin numbering arrangement, but that is detailed in the official Suzuki manual. I needed that because the switch I bought was a second hand vitara one with different coloured wiring. But, all good now, I installed it with an LED bulb into the empty slot in the right hand bumper light unit. MOT tomorrow, fingers crossed.
Please Log in or Create an account to join the conversation.
16 Sep 2025 18:51 #261972
by facade
If it suddenly breaks, go back to the last thing that you did before it broke and start looking there
Replied by facade on topic Rear fog light for UK registration
Yeah, the first wiring diagram is obviously wrong, as now I figured out the switch from the second, as drawn the first will just ground the live feed when the relay operates and blow the fuse!
Glad it works!
Glad it works!
If it suddenly breaks, go back to the last thing that you did before it broke and start looking there
Please Log in or Create an account to join the conversation.
Time to create page: 0.799 seconds
