A place for more technical discussions. Please make sure you post in the correct section on the site, this way it keeps the site tidy AND ensures you get a more relevant answer.
Negative switch problem, slightly different from normal.
15 Jan 2024 14:43 #253523
by mickyd
Negative switch problem, slightly different from normal. was created by mickyd
Hi all, trying to install a foglight and struggling with the negative switching headlamps.
It must turn on with the headlights and not sidelights, but not be able to be turned on with the sidelights.
I'm stumped.
I've tried so many permutations.
I have thee cables going into the headlight bulb.
All are live.
One goes dead with the headlights on
One goes dead with main beam on
One is always live
The problem is I need to pick up the feed from the headlight, but I'm honestly struggling to understand how it works.
I have tried a relay with a number of different permutations.
I know light bars get fitted often, only to work with main beam, but I've also read a lot of information, including multiple schematic diagrams, but I can't make any headway.
Any suggestions?
It must turn on with the headlights and not sidelights, but not be able to be turned on with the sidelights.
I'm stumped.
I've tried so many permutations.
I have thee cables going into the headlight bulb.
All are live.
One goes dead with the headlights on
One goes dead with main beam on
One is always live
The problem is I need to pick up the feed from the headlight, but I'm honestly struggling to understand how it works.
I have tried a relay with a number of different permutations.
I know light bars get fitted often, only to work with main beam, but I've also read a lot of information, including multiple schematic diagrams, but I can't make any headway.
Any suggestions?
Please Log in or Create an account to join the conversation.
15 Jan 2024 17:56 - 15 Jan 2024 18:26 #253525
by facade
If it suddenly breaks, go back to the last thing that you did before it broke and start looking there
Replied by facade on topic Negative switch problem, slightly different from normal.
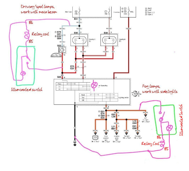
First off, if they are foglights intended for use in conditions of reduced visibility, they are wired to work with the sidelights, as the point of foglights is to drive on them in fog with the headlights off.
They have to be a pair, angled down 3% with a 75kg driver, within 400mm of the outer edges of the vehicle, and below 1200mm (they are substituting for the obligatory headlights in fog)
(RVLR 1989 section 20 & schedule 6)
If they are driving lights to supplement main beam, they can only come on with main beam- (RVLR 1989 schedule 5)
Which of course, complicates the wiring!
The side lights use a switched live.
The main beams use a switched earth.
So if you are going for foglights (sidelight switched) your relay coil goes between earth and the red/yellow wire (with your switch in series)
For spot/driving lights between live and the red wire from the column switch
Like this (I assume you can wire the lights to the relay + fused power)
Note, if you have an illuminated switch with a third terminal for the internal bulb the 3rd terminal has to go to live for the spotlights, and earth for the fog light.
Or just wire a warning lamp where I've shown the bulb inside the switch.
If the switches have LEDs in them not bulbs, I'd have to think about it, but I suspect the spot light one won't work.
They have to be a pair, angled down 3% with a 75kg driver, within 400mm of the outer edges of the vehicle, and below 1200mm (they are substituting for the obligatory headlights in fog)
(RVLR 1989 section 20 & schedule 6)
If they are driving lights to supplement main beam, they can only come on with main beam- (RVLR 1989 schedule 5)
Which of course, complicates the wiring!
The side lights use a switched live.
The main beams use a switched earth.
So if you are going for foglights (sidelight switched) your relay coil goes between earth and the red/yellow wire (with your switch in series)
For spot/driving lights between live and the red wire from the column switch
Like this (I assume you can wire the lights to the relay + fused power)
Note, if you have an illuminated switch with a third terminal for the internal bulb the 3rd terminal has to go to live for the spotlights, and earth for the fog light.
Or just wire a warning lamp where I've shown the bulb inside the switch.
If the switches have LEDs in them not bulbs, I'd have to think about it, but I suspect the spot light one won't work.
If it suddenly breaks, go back to the last thing that you did before it broke and start looking there
Last edit: 15 Jan 2024 18:26 by facade.
Please Log in or Create an account to join the conversation.
15 Jan 2024 19:18 #253528
by mlines
Martin
2003 M13 early KAP build.
3" Trailmaster lift with 1.5 Spacers on front
Customised winch bumper and roll cage
235/85R16 Maxxis Bighorns on 16" Rims, 4:1 Rocklobster, Rear ARB locker and on-board air
Corrected arms all-round, rear disks, Recaro seats and harnesses
Replied by mlines on topic Re:Negative switch problem, slightly different from normal.
What Jimny ( model/ year) do you have? The wiring changes between negative switching and positive switching depending on the model you have
Sent from my ThinkPhone by motorola using Tapatalk
Sent from my ThinkPhone by motorola using Tapatalk
Martin
2003 M13 early KAP build.
3" Trailmaster lift with 1.5 Spacers on front
Customised winch bumper and roll cage
235/85R16 Maxxis Bighorns on 16" Rims, 4:1 Rocklobster, Rear ARB locker and on-board air
Corrected arms all-round, rear disks, Recaro seats and harnesses
Please Log in or Create an account to join the conversation.
16 Jan 2024 06:33 - 16 Jan 2024 06:34 #253532
by yakuza
Norway 2005 Jimny M16A VVT, 235 Cooper Disco, 2" Trailmaster, ARB rear lck.
Replied by yakuza on topic Negative switch problem, slightly different from normal.
You are aware of the possibilty that your jimny has the original Wiring for fog lights even though the lights and switch it is not delivered with the car?
Mine 2005 had all the wiring done so all I needed was the switch and the lights. plug and play.
however my fog lights with the original wiring can be switched on together with the low beam. (or just parking lights.) But it has been ok with the MOT (Norway) but still is illegal to use here in most cases. only daytime fog/snow possibly, and never with the low beam on.
Mine 2005 had all the wiring done so all I needed was the switch and the lights. plug and play.
however my fog lights with the original wiring can be switched on together with the low beam. (or just parking lights.) But it has been ok with the MOT (Norway) but still is illegal to use here in most cases. only daytime fog/snow possibly, and never with the low beam on.
Norway 2005 Jimny M16A VVT, 235 Cooper Disco, 2" Trailmaster, ARB rear lck.
Last edit: 16 Jan 2024 06:34 by yakuza.
Please Log in or Create an account to join the conversation.
16 Jan 2024 08:36 #253534
by facade
Foglights can be used instead of the dipped headlights in conditions of reduced visibility (<100m), provided they are fitted to meet the requirements of RVLR 1989 schedule 6, so they are wired to come on with the sidelights.
Driving lamps are supplemental to the main beams so they have to be wired to extinguish when the headlights are dipped.
If it suddenly breaks, go back to the last thing that you did before it broke and start looking there
Replied by facade on topic Negative switch problem, slightly different from normal.
Which is how it is in the UK.You are aware of the possibilty that your jimny has the original Wiring for fog lights even though the lights and switch it is not delivered with the car?
Mine 2005 had all the wiring done so all I needed was the switch and the lights. plug and play.
however my fog lights with the original wiring can be switched on together with the low beam. (or just parking lights.) But it has been ok with the MOT (Norway) but still is illegal to use here in most cases. only daytime fog/snow possibly, and never with the low beam on.
Foglights can be used instead of the dipped headlights in conditions of reduced visibility (<100m), provided they are fitted to meet the requirements of RVLR 1989 schedule 6, so they are wired to come on with the sidelights.
Driving lamps are supplemental to the main beams so they have to be wired to extinguish when the headlights are dipped.
If it suddenly breaks, go back to the last thing that you did before it broke and start looking there
Please Log in or Create an account to join the conversation.
17 Jan 2024 10:01 #253556
by mickyd
Replied by mickyd on topic Negative switch problem, slightly different from normal.
Firstly, thanks for all your replies, very detailed!
Just to clear a couple of things up.
It's a rear fog light, so the regulations are different in as much as it has to not be able to be activated on sidelights.
It can only be activated with dipped beam, main beam or front fog. They're very strict with that.
(I think it's odd, because the front fog can be on with sidelights, so it seems to contradict itself)
It has to have a switch with a visible tell tale light on it too.
I struggled with his because I looked at so many different wiring diagrams, and all were slightly different.
Mostly they were concerned with light bars, driving lamps etc., working off main beam.
I tried some permutations, mostly they all had an earth coming from the relay, which was causing my headache.
I spent literally all day trying different things and could not get it to work.
I eventually, gave up, went inside, sat and thought it through, and (rightly or wrongly) I worked out a solution.
It works but I'm not sure if it's the correct way to do it.
I ran the trigger for the relay to live, and to the headlight wire which was live, but earthed when it was activated.
And the other live to a switch on the dash - which when the relay was triggered by the headlamps, the fog light turns on.
Like this:
My only issue with this now is that everything works, the fog light only activates with the headlights, not the sidelights.
However, the switch on the dash will illuminate when it is switched on, irrespective of the headlights being on or off.
Is there anything glaringly wrong with how I've done it, and is there a solution for the switch.
I did think I could possibly try putting the switch on the headlight circuit not the fog light circuit, and instead of running the third terminal to earth, running it to a live - so when the headlamp was turned on, and became earth, it would activate the switch?
Just to clear a couple of things up.
It's a rear fog light, so the regulations are different in as much as it has to not be able to be activated on sidelights.
It can only be activated with dipped beam, main beam or front fog. They're very strict with that.
(I think it's odd, because the front fog can be on with sidelights, so it seems to contradict itself)
It has to have a switch with a visible tell tale light on it too.
I struggled with his because I looked at so many different wiring diagrams, and all were slightly different.
Mostly they were concerned with light bars, driving lamps etc., working off main beam.
I tried some permutations, mostly they all had an earth coming from the relay, which was causing my headache.
I spent literally all day trying different things and could not get it to work.
I eventually, gave up, went inside, sat and thought it through, and (rightly or wrongly) I worked out a solution.
It works but I'm not sure if it's the correct way to do it.
I ran the trigger for the relay to live, and to the headlight wire which was live, but earthed when it was activated.
And the other live to a switch on the dash - which when the relay was triggered by the headlamps, the fog light turns on.
Like this:
My only issue with this now is that everything works, the fog light only activates with the headlights, not the sidelights.
However, the switch on the dash will illuminate when it is switched on, irrespective of the headlights being on or off.
Is there anything glaringly wrong with how I've done it, and is there a solution for the switch.
I did think I could possibly try putting the switch on the headlight circuit not the fog light circuit, and instead of running the third terminal to earth, running it to a live - so when the headlamp was turned on, and became earth, it would activate the switch?
Please Log in or Create an account to join the conversation.
Time to create page: 0.245 seconds
