A place for more technical discussions. Please make sure you post in the correct section on the site, this way it keeps the site tidy AND ensures you get a more relevant answer.
winch wiring diagram 12v and 24v system
- oxford_bloke
- Topic Author
- New Member
-

Public
Less
More
- Thank you received: 0
13 Feb 2013 18:00 - 13 Feb 2013 18:03 #62396
by oxford_bloke
winch wiring diagram 12v and 24v system was created by oxford_bloke
Last edit: 13 Feb 2013 18:03 by oxford_bloke.
Please Log in or Create an account to join the conversation.
- oxford_bloke
- Topic Author
- New Member
-

Public
Less
More
- Thank you received: 0
13 Feb 2013 18:04 #62397
by oxford_bloke
Replied by oxford_bloke on topic winch wiring diagram 12v and 24v system
Please Log in or Create an account to join the conversation.
- oxford_bloke
- Topic Author
- New Member
-

Public
Less
More
- Thank you received: 0
14 Jun 2015 15:43 #145963
by oxford_bloke
Replied by oxford_bloke on topic winch wiring diagram 12v and 24v system
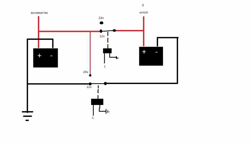
finally got round to doing this this weekend and after a bit of cussing and swear at it. it worked. All i can say is 12v relays dont work on 24v, took me the best part of a day to work that out lol what a tit
Please Log in or Create an account to join the conversation.
- TomDK
- New Member
-

Public
Less
More
- Thank you received: 0
14 Jun 2015 16:37 #145965
by TomDK
Replied by TomDK on topic winch wiring diagram 12v and 24v system
Much easier and cheaper just finding a 12/24 volts switchover solenoid from a Toyota LC 80 series.
Also, those solenoid cans doesn't look like they can take the amps of winching under heavy load.
Also, those solenoid cans doesn't look like they can take the amps of winching under heavy load.
Please Log in or Create an account to join the conversation.
- oxford_bloke
- Topic Author
- New Member
-

Public
Less
More
- Thank you received: 0
14 Jun 2015 17:18 #145966
by oxford_bloke
Replied by oxford_bloke on topic winch wiring diagram 12v and 24v system
Tom,
The silver solenoids are 400amp which are only used to switch the batteries between 12 and 24v the winching solenoids I'm using the standard solenoids that come with it. What I like about my system is that there is a fail safe in there so I cannot winch out on 24 if I fail to flick it back to 12. Do you have the option to winch on 12 and 24 with the LC solenoid?
The silver solenoids are 400amp which are only used to switch the batteries between 12 and 24v the winching solenoids I'm using the standard solenoids that come with it. What I like about my system is that there is a fail safe in there so I cannot winch out on 24 if I fail to flick it back to 12. Do you have the option to winch on 12 and 24 with the LC solenoid?
Please Log in or Create an account to join the conversation.
- TomDK
- New Member
-

Public
Less
More
- Thank you received: 0
14 Jun 2015 18:58 - 14 Jun 2015 19:00 #145973
by TomDK
Replied by TomDK on topic winch wiring diagram 12v and 24v system
Yup..
The LC solenoid is very simple made. It simply just switches between parallel and series connection of the batteries.
It's a fairly common mod here in Denmark on challenge trucks for people on a budget. I've been using it for a almost 2 years now without any issues.
You should fit a Bowmotor 2 on your winch.
It works very well overvolted
The LC solenoid is very simple made. It simply just switches between parallel and series connection of the batteries.
It's a fairly common mod here in Denmark on challenge trucks for people on a budget. I've been using it for a almost 2 years now without any issues.
You should fit a Bowmotor 2 on your winch.
It works very well overvolted
Last edit: 14 Jun 2015 19:00 by TomDK.
Please Log in or Create an account to join the conversation.
Time to create page: 0.356 seconds
