A place for general chat about the Jimny. Please make sure you post in the correct section on the site, this way it keeps the site tidy AND ensures you get a more relevant answer.
Suppliers/Dealers or anyone selling with a commercial view in mind CANNOT post here unless responding to a specific request of a member in a "wanted" post.
Suppliers include people "breaking for spares" on a regular basis, when purchasing spares members should ask a supplier what they contribute to the running of the forum particularly if contacted by a Private Message
Suppliers or Members who have contributed to the forum can be identifed by the logo.
Suppliers/Dealers or anyone selling with a commercial view in mind CANNOT post here unless responding to a specific request of a member in a "wanted" post.
Suppliers include people "breaking for spares" on a regular basis, when purchasing spares members should ask a supplier what they contribute to the running of the forum particularly if contacted by a Private Message
Suppliers or Members who have contributed to the forum can be identifed by the logo.
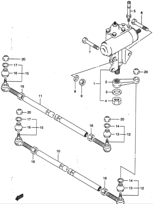
Steering Box Exploded Drawing
- Licksan
- Topic Author
- New Member
-

Public
Less
More
- Thank you received: 0
24 Feb 2013 10:33 #63819
by Licksan
Steering Box Exploded Drawing was created by Licksan
Does any one have an exploded drawing of the steering box?
Specifically, want to know what's on the internal end of the adjuster screw on the top of the box and why I am unable to unscrew and remove it from the box to free the lock nut from the screw which is jammed!
Hoping not to have to remove the box to free the lock nut but its stupidly fiddley with the rad mount in the way!
Thanks
Specifically, want to know what's on the internal end of the adjuster screw on the top of the box and why I am unable to unscrew and remove it from the box to free the lock nut from the screw which is jammed!
Hoping not to have to remove the box to free the lock nut but its stupidly fiddley with the rad mount in the way!
Thanks
Please Log in or Create an account to join the conversation.
24 Feb 2013 15:24 - 24 Feb 2013 15:27 #63845
by Halford
Replied by Halford on topic Steering Box Exploded Drawing
Last edit: 24 Feb 2013 15:27 by Halford.
The following user(s) said Thank You: Licksan
Please Log in or Create an account to join the conversation.
- Licksan
- Topic Author
- New Member
-

Public
Less
More
- Thank you received: 0
24 Feb 2013 16:10 #63852
by Licksan
Replied by Licksan on topic Steering Box Exploded Drawing
Thanks Halford. Not quite what I needed but useful.
The adjuster screw is somehow attached to the shaft which exits the bottom of the box and connects directly to the pitman arm. Not sure how its held captive but I understand why it is now and fortunately managed to free the lock nut and make further adjustment. Amazed it got so stuck after having adjusted it a bit a few weeks ago. Must have been heavy handed on tightening it!
The adjuster screw is somehow attached to the shaft which exits the bottom of the box and connects directly to the pitman arm. Not sure how its held captive but I understand why it is now and fortunately managed to free the lock nut and make further adjustment. Amazed it got so stuck after having adjusted it a bit a few weeks ago. Must have been heavy handed on tightening it!
Please Log in or Create an account to join the conversation.
Time to create page: 0.715 seconds
